KL7UW
RADIO/COMPUTER INTERFACES



  This webpage replaces an old webpage where I showed my FT-847 computer interface.  This will show three 
  evolutions from a simple interface which I started using psk-31 on 14.070 MHz to what I am using for digital
  eme using WSJT10 and MAP65 software.

  The simplest interface is no more than something that will interconnect audio with your computer soundcard 
  and using RS-232 for PTT control.  That can be as simple as two audio cables with appropriate connectors
  and using a NPN transistor for keying the radio PTT with postive voltage from the RS-232 (using either the
  DTR or RTS lines).  Most ham radio sw utilize one of those for sending PTT commands to the radio.

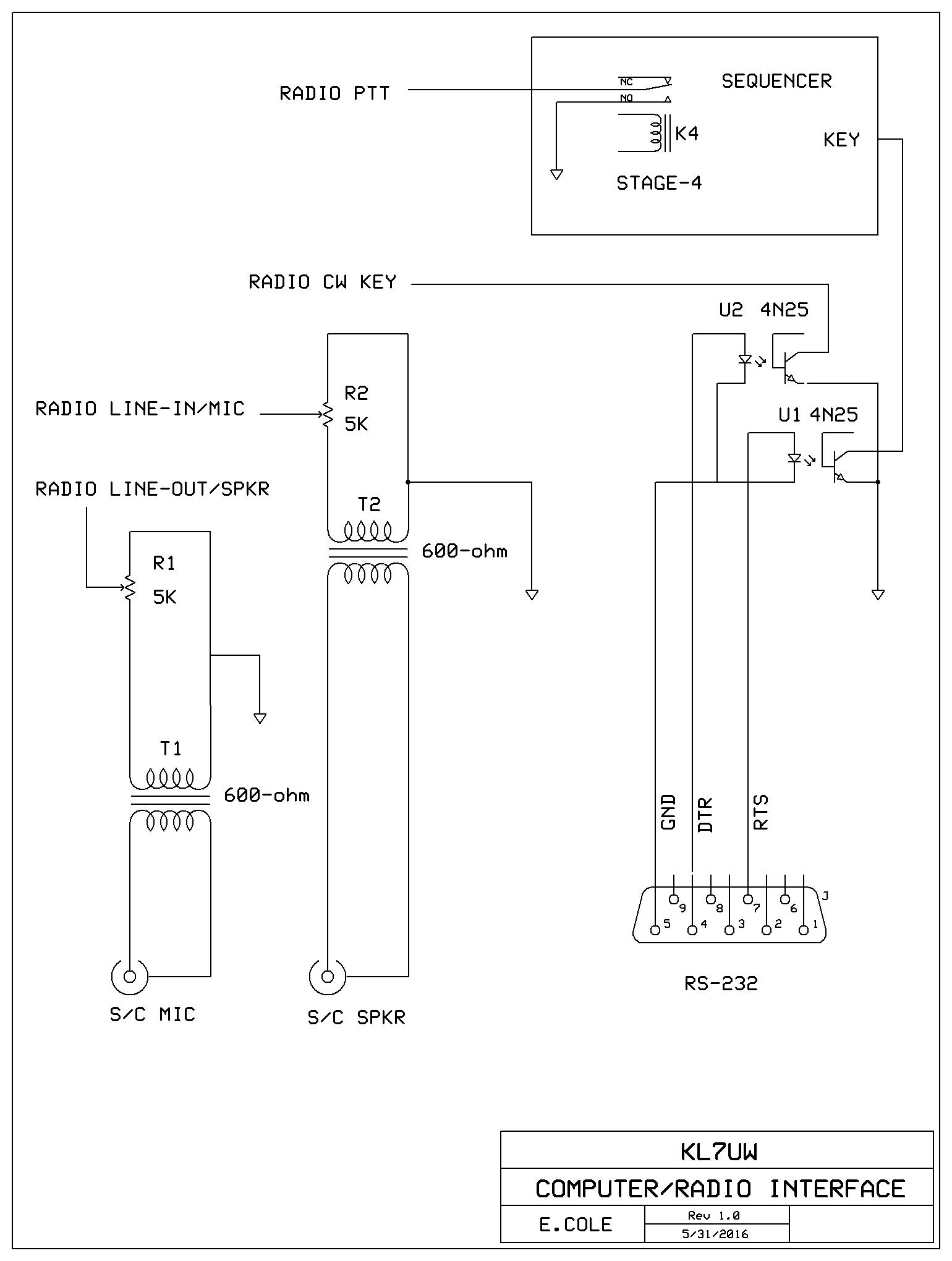
  The first diagram shows this using two 600-ohm audio isolation transformers and 2N2222 transistors.  Both
  DTR and RTS are shown since some sw utilize both to control the radio (many only require one).
 
 













The next version includes connection with a sequencer and utilizes opto-isolator transistors to separate computer ground from the radio ground (avoids conditions that can produce hum and noise):


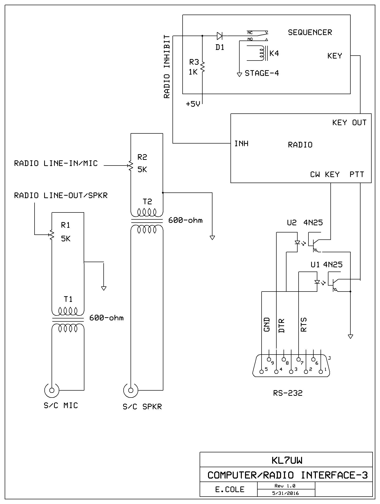
The last version shows control of radios having Tx inhibit control which holds off RF output until activated by the sequencer. Refer to my webpage showing the Inhibit details.
Return to Home Page