KL7UW
VHF/UHF PAGE



   See VHF/UHF Station Status

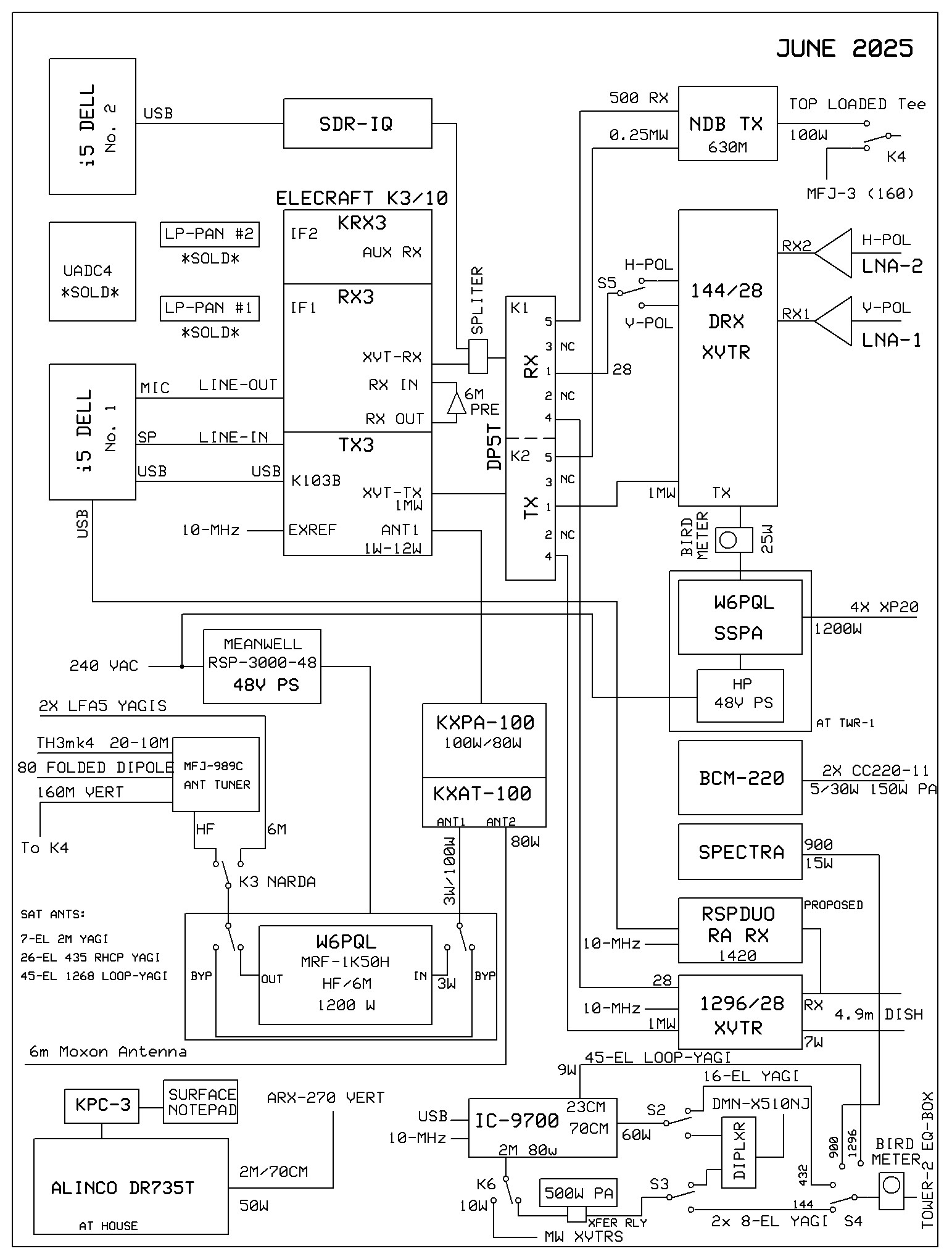
   Description of Home Station : Updated January 2025
144-MHz: IC-9700 with 80w Under Construction: LDMOS(MRF-300) Amplifier for 500 watts. Antennas: Two 8-element yagis, installed at 38-foot on Tower-2. Not QRV due to High SWR Yagi array to be moved to Tower-4 in Summer 2025; to be mounted on rotatable mast at 42-feet DMN-X510HDNA dual-band vertical has been installed and QRV Mobile VHF radios: Dual-Band 5w HT and MOT 60w 2m amp with dual-band Comet whip for FM
Dual-band 50w Alinco DR-735T for 2m FM/Packet with KPC-3 TNC/Surface Notepad with ARX-270 vertical
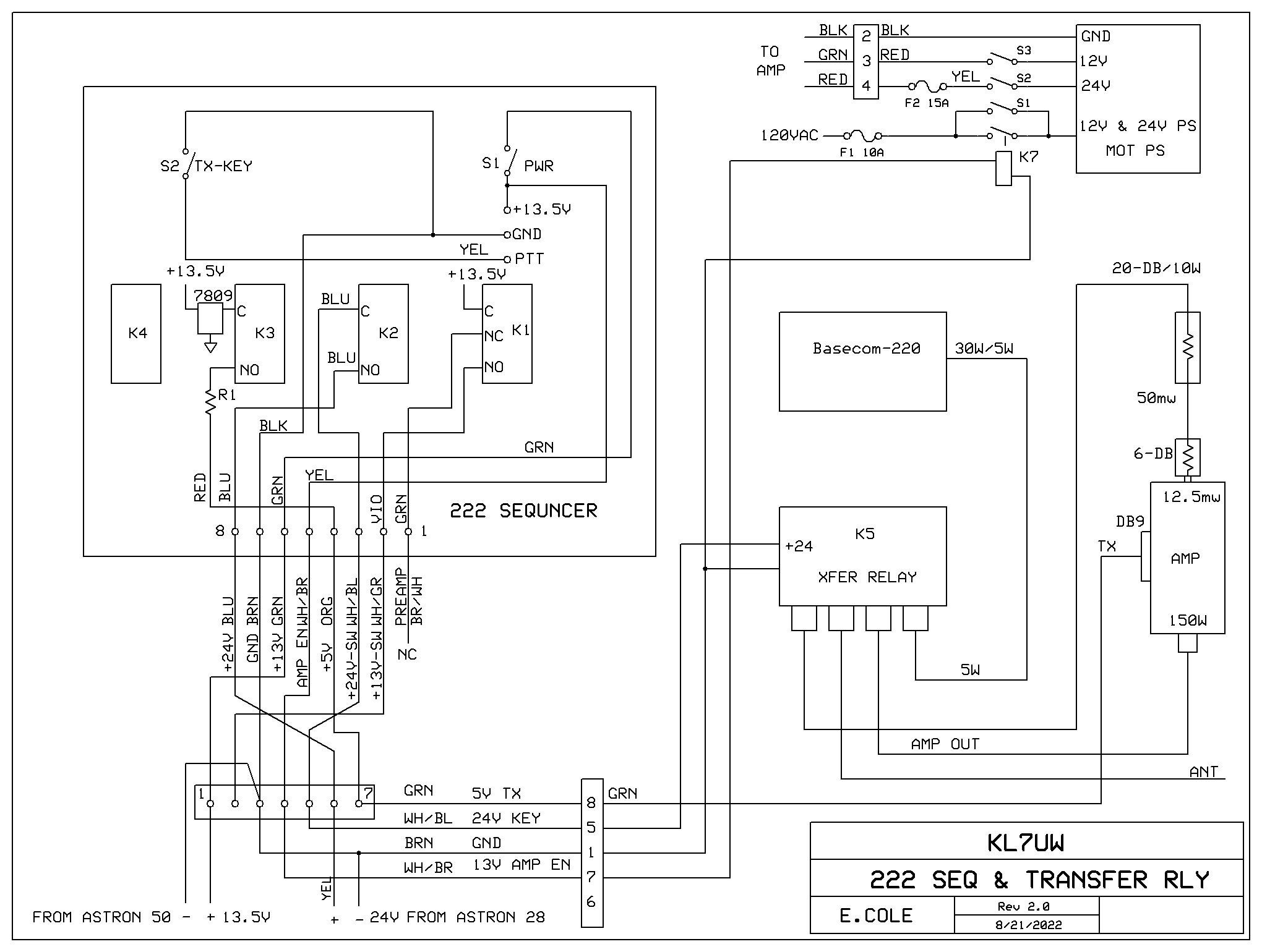
222-MHz: A Bridgecom BCM-220 FM transceiver provides either 30w or 13mw drive to the Securitor amplifier with 150w watts. Antenna are two 11-element Cushcraft yagis at 60-feet above tower-2
432-440 MHz: IC-9700 at 60w or BA-150 amplifier at base of the tower-2 provides 100w with 13w drive Antennas: M2 432-18 yagi at 38-feet. to be installed DMN-X510HDNA dual-band vertical has been installed and QRV
900-MHz: A Motorola Spectra for use at 927.5 MHz FM with 15 watts or 150w output from an amplifier installed at base of the tower-2 Antenna: 33-element loop-yagi at 38-feet. to be installed
The Alaska VHF-Up Group was established in spring of 2005 to foster activity on the VHF-UHF-Microwave frequencies.
Please check back for updates!
Return to Home Page