KL7UW
ARCHIVE
Old 1296 EME Station Information:
March, 2015 Update:
New LNA/TR relay enclosure installed and Tx Driver installed (see photo on right, below).
Modification of Azimuth Geometry to solve a mechanical issue was performed March 21-27.
First photo shows the pre-existing setup where the azimuth actuator pushes on the A-frame carriage structure
forcing it sideways, radially outward from circle of rotation. Second photo the angle-iron cross-brace is replaced
by a 2-inch Steel pipe and actuator is removed for new mounting support. Last photo the new support in place with
azimuth actuator driving the cross-brace which is held to the center axis by a 4-inch clamp so only circular movement
results.


January 27, 2015 Update:
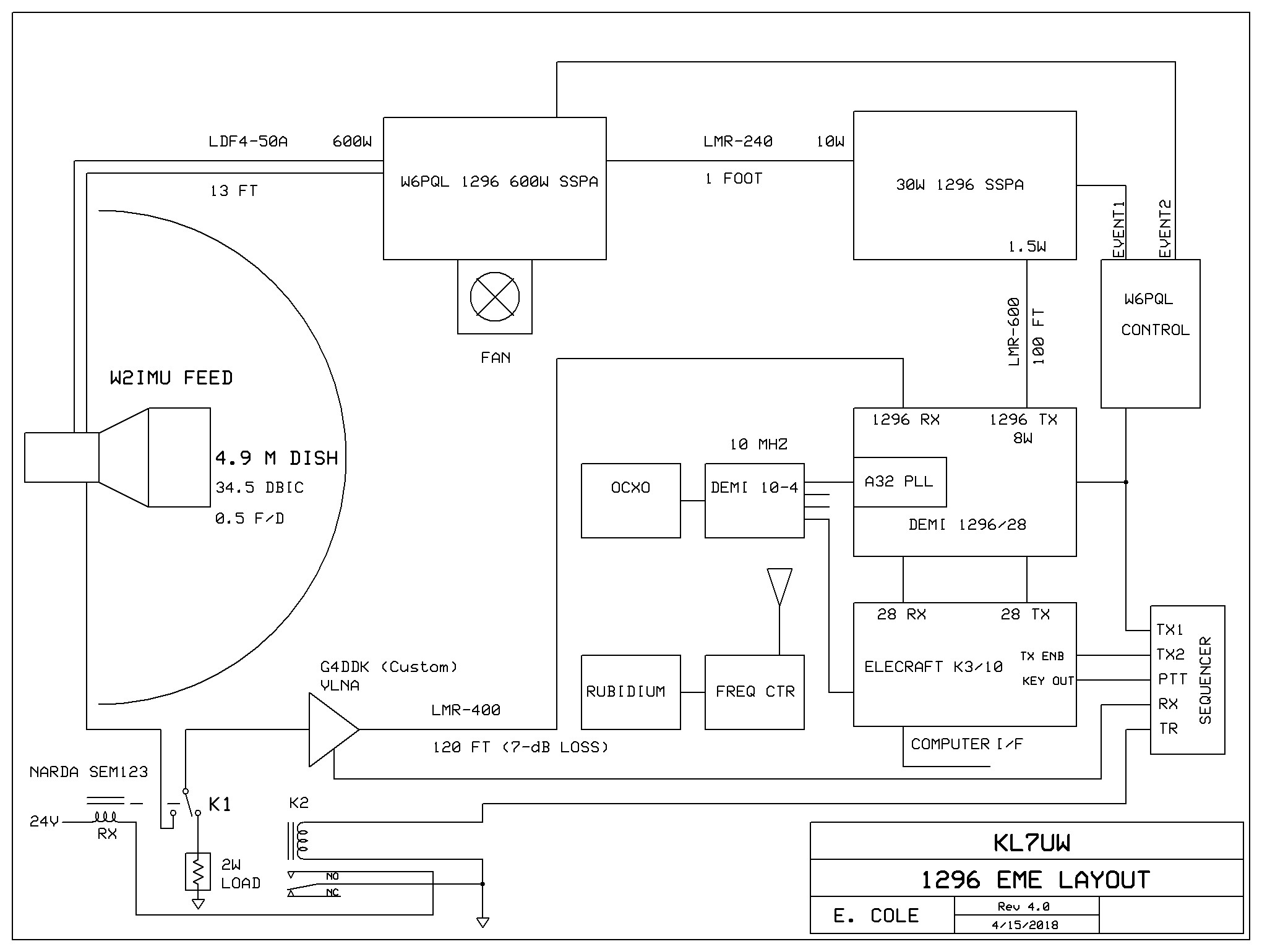
I am half-way toward building the 300w solid-state amplifier kit.
Go to 1296 Amplifier for details and photo's documenting construction and testing of this kit.
I have the first of two 150w modules completed and installed on the dish. 5.2 watt
drive from the transverter produces 90w output at the dish.
The 30w driver amp is finished and tested. It can provide 10w drive so the initial 150w module can run at full power.
October- 2014 Update:
I have removed the 60w amplifier for use on terrestrial 1296. The initial 150w amplifier is
in final assembly and testing. Eventually a 30w amplifier kit will be constructed to provide full
drive (18-20w) to the completed 300w amp comprised of the combination of two 150w amplifiers.
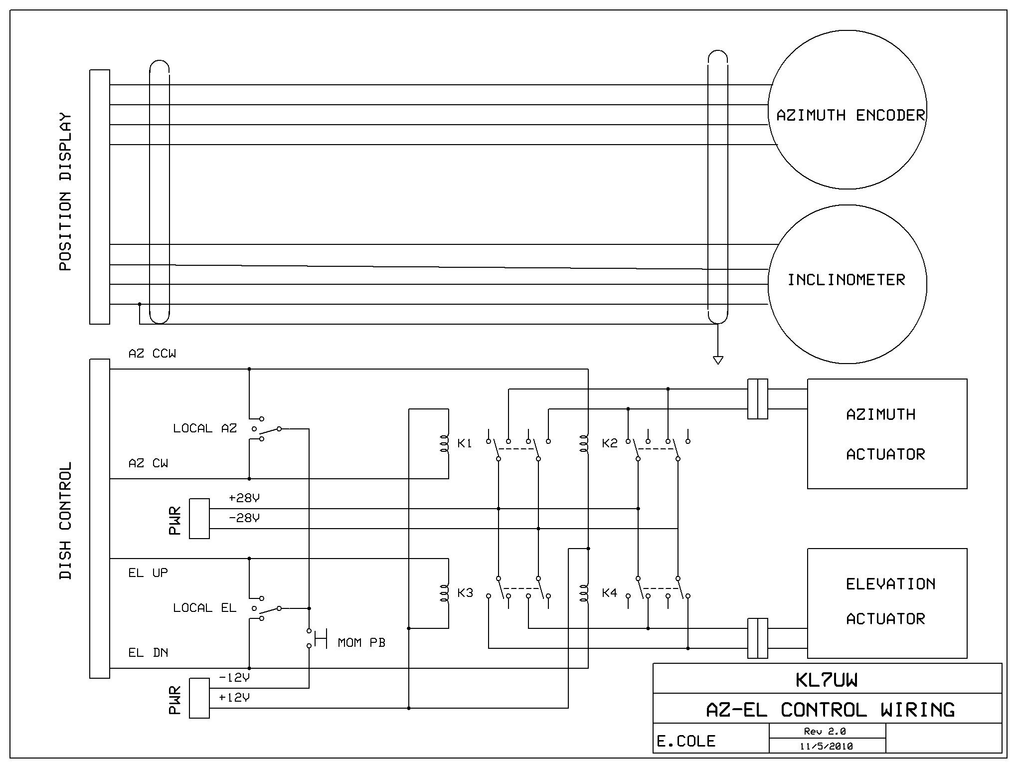
The dish mount permits az-movement in three stages: 080-156, 156-245, and 245-310 degrees (recently re-programmed).
stepped in roughly 90-degree increments. Elevation is from 0.5 to +52* degrees (*limit to protect actuator).
Clear view of the sky requires a min of 10-degrees elevation.
October- 2013 Update:
Ground/sky noise tests of new feed horn indicate Y(gnd/cs) = 7.7 dB
Ground and Sun noise tests of dish indicate Y(gnd/cs) = 6.15 dB, Y(sun/cs) = 15.9 dB
Receive port isolation from the transmit side measures -22.5 dB with approx. 1/4w at the relay. This may be improved by
adjusting the feed focal distance.
Return loss measures approx. 32-dB on both ports of the W2IMU feedhorn. This was measured
with a 40-dB MECA directional coupler with 10w (+40 dBm) test signal and measured with
a HP-432A power meter. The feed measured 2-3 dB better return loss than my test load.
The MECA directional coupler will be installed on the output of the 300w sspa to monitor
reflected power.
On Sept. 26 the new elevation actuator was installed and concrete block counterweights re-installed.
Elevation encoder was recalibrated. The new acutator has a limit switch for maximum movement and
it was set to trip at 52-degrees (correlates to +23 degrees declination at my latitude of 60.675N).

February - 2013 Update:
In 2012 the surplus 28v power supply failed and two new Astron 28v PS were purchased. This was installed
on Feb 7, 2013. Photos:
88vdc power supply for the two 48v fans.
Interior of box showing auxiliary 12v PS and two fans in the floor.
Top view of the power supply box (converted truck bed tool box) with Astron PS.
Detail view of AC outlet, 12v aux PS and fan fuse.
Detail view of DC terminal strip and 1296 PA 28v control relay.
view of air exhaust vents in the box.
View of the wx shield for the exhaust vents.
view showing vents and wx tight cable fittings.
View of plenum formed by plywood and concrete blocks.
Box installed on plenum under the dish.
A paper describing the construction of the dish was presented at the 2010 International
EME Conference in Dallas, Texas. (2.4 Mb pdf)
I have 50w running at the dish. I am in the progress of revising the design of the Feed mount structure (completed Oct. 2nd):

Views of new W2IMU Feedhorn on the dish (click image for larger view):



Views of the horizon profile (click image for larger view):
AZ=060-090 AZ=090-125 AZ=180-230 AZ=230-290 Trees at AZ=290 AZ=300 View





After removing trees (Dec.2014):





Some photos of the dish with detail of support (click image for larger view):



Cleared area.



The 4.9 meter dish (16-foot)
Assembly completed September 21, 2008:
Link to Construction history photos.
Calibrating digital encoders with a Sun Shot:


NOTE: The following photos are archival of installation previous to Fall 2013.
Photo showing new pyramidal horn installed on the septum feed and new support for the 432 feed:


Views of the horn before installation Front Top Side
Three views of the LNA Layout for 432 and 1296:


Photos of new feed support, March 3, 2013:



Return to Home Page