KL7UW
2m - EME Archive
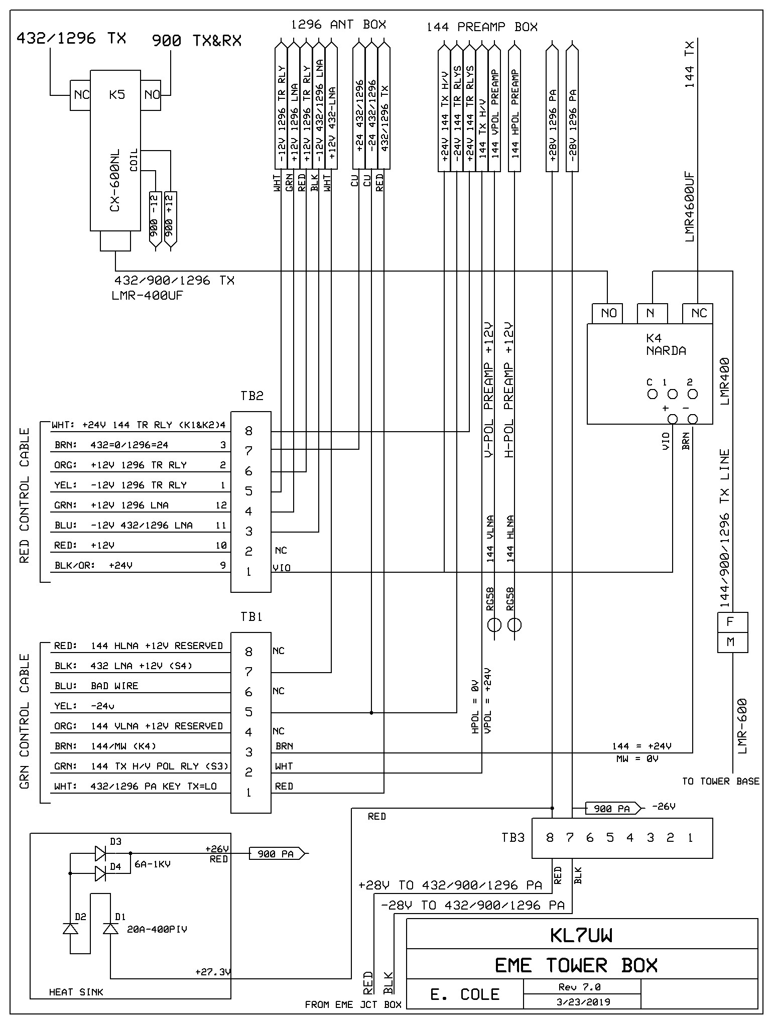
144 EME Tower Box schematic diagram
900 Tower Box schematic diagram
1296 Tower Box schematic diagram
EME Tower Box has been wired to add a NARDA SEM123N relay for switching between 144-eme and 900/1296 MHz equipment.
A second coax relay selects either the 900 MHz PA or the 1296 MHz PA to provide drive. A third enclosure was
installed above the EME Box to install 50w 1296 PA, preamps, and TR Relay. The 900 MHz PA has its own enclosure.
New QSL Card For 2018 ordered April 17.
July, 2016 - Update:
To simplify the sma relays were removed in 2015 but RG-142 cables retained to couple TR relays direct to
the preamps. Also a NARDA relay replaced the Tohtsu CX-600NL after it failed. This switches the
transmission line from 2m to microwave bands. A following CX-600NL choses either 1296 or 900 MHz
routing the transmit drive to 50w amplifiers for either band. A new LMR-600 coax line was installed to
replace LMR-600 which filled with water and developed corrosion. 2016 decided to upgrade the lower
end of the LMR-600 with a 7/16 DIN connector. 1-5/8 inch Heliax will also get a 7/16 DIN connector.
This will provide improved connection for high power and microwave.
Aug, 2011 - Update:
After losing three preamps in July, I decided to add two sma relays (HP33111) to offer more isolation for
the peramps. Both sma relays measure >74 dB isolation. I added silver shield RG-142 cable from the relay
to the preamp inputs for better shielding. Also preamp dc power is conducted via RG-58 from the ground
control cable junction box to minimize RF pickup on the power leads. A RF choke bypassed by 100pF was
added to each preamp. The new reLays terminate the preamps into 50-ohms in transmit mode.
NARDA TR relays were measured for isolation and show 119-dB.
June, 2011 - Update:
System cable loss testing (see photo, below) resulted in replacement of four LMR-400 phasing lines that had become
lossy due to moisture intrusion under the shield braid. This led to oxidation of the aluminum
shield taped to the outside of the center insulation (see photo, below). Major testing and repairs
took nearly three weeks. LMR-400 jumpers in the shack and on the cable run were either eliminated
or upgraded with LMR-600 resulting in a reduction of transmission line loss by 0.11 dB to 1.71 dB.
All coax lines were measured for SWR and loss. Line loss ahead of preamps was measured with an
effecitve line loss of 0.49 dB which agrees with my calculated estimate of 0.5 dB. This results
in a system NF = 0.56 dB and system MDS of -174 dBm (at 100-Hz bandwidth). Photos:

March, 2011 - Update:
Purchase of an Elecraft-K3 transciever with dual-Rx in 2010. A second set of preamps and an
a DEMI 144/28 dual-receive transverter enable full dual-polarity receive using Linrad.
Addition of two LP-Pan I/Q receivers enable wideband display and decoding of JT-65 signal over
a 90-KHz bandwidth (see revised diagram, below). Full implementation of this will be accomplished in 2011.
January, 2007 - Update:
I am building a 144-MHz to 28-MHz transverter to be used with the dual Rx of the K3 feeding two SDR
producing a 90-KHz wide spectral display. New software under development by K1JT called MAP65.
expands JT65. Using two LP-Pan (SDR) as input to MAP65 will provide me full coverage of the 2m EME sub-band
using JT65. This is new technology still under development.
2006 - Description
My array consists of four x-yagis mounted in the vertical/horizontal or "+" position. They are
model 2m-xpol-20's made by M2. The 12 by 12-foot"H-Frame" is also made by M2.
The array gain is 19.2 dBd (21.3 dBi) with this spacing. Using both vertical and horizontal
polarity gives my small, standard-sized, moon-bounce array the ability to adapt to
Faraday polarity shifts in the ionosphere.
The eme array is mounted on my custom-designed elevation bearing mount which utilizes a
satellite-dish actuator-arm (jack-screw). The azimuth mast is rotated with a Ham-IV rotator.
Elevation Braket
All is raised to the top of the 50-foot Rohn-25 tower on a Lenn Martin Hazer H4 "cage".
This permits maintenance to be performed at ground level by lowering the cage and array.
The Hazer uses a hand winch and wire rope over a pulley at the tower top to accomplish this.
The 2-meter station consists of an Elecraft K3 followed by a DEMI 144/28 MHz transverter
driving a W6PO design 8877 linear amplifier that runs 1400 watts output with a SWR of 1.06 at 144.100 MHz.
Approximately 1000 watts is delivered to the antennas after taking into account cable losses.
The receiver is preceded by two preamps and three coax relays all housed in a weather-tight
enclosure attached to the Hazer cage. The horizontal elements of each yagi are connected via
18-foot runs of Times Microwave LMR-400 coax cable to a M2 4-way divider. A 10-foot LMR-400UF
jumper connects the divider to the horizontal polarity T/R relay (K1) feeding the WA2ODO preamp
(0.05 dB Noise Figure, 25.3 dB gain). In a similar way the vertical elements of each yagi
are fed to an identical T/R relay (K2) and to another WA2ODO preamp (0.04 dB Noise Figure, 26.7 dB gain).
NARDA relays are used for K1 and K2 rated for 1400w with 80-dB isolation.
The transmit ports of both the vertical-pol. T/R switch and the Horizontal-pol. T/R switch
are connected to a third coax relay (K3) that choses which polarity is used in transmiting.
This is then connected via 50-foot of LMR-600 and 100-foot of 1-5/8 inch hardline to the transmiter
amplifier in the radio room. Total transmission line loss is 1.7 dB. SWR averages 1.24.
The preamps are followed by 50-feet of LMR-240 and 100-feet of LMR-400 feedline with 3.1 dB total loss.
In the radio shack is the DEMI Dual-receive 144/28 MHz transverter that feeds the Elecraft K3.
With this receiver system I may chose transmit and receive polarity independently, providing
a good match of reception for whatever polarity signals are received back from the Moon.
I estimate my overall system NF is about 0.5 dB.
I built a 8877 power amplifier
from the design of W6PO using the Triode Board by G3SEK.
I am using a surplus HV power supply running 3700 volt - 710 mA driving with 50w results in 1400 watts RF output from the 8877.
Prior 144-MHz EME Station Block diagram that had H/V switching.
Old 2m EME layout
The station is controlled using a Downeast Microwave sequencer. It is controlled by the
computer for CW keying and use of JT65.
2m-EME Cost spreadsheet or the pdf version, for my station
for those contemplating building a dual-polarity
adaptive reception eme station.
Return to Home Page